0 ₽
Фурнитура и прочее, Замки врезные, Для металлических дверей Замок Border (Бордер) врезной сувальдный ЗВ8-6 ПК5Т/15 с тягами (прав.), 5 кл. /72201/
В избранное
| ← | Замок Guardian (Гардиан) врезной двухсистемный ЗВ 15.12, 4 кл. /128:5951/ (ex. 128:3780) | Замок Guardian (Гардиан) врезной сувальдный ЗВ 10.01 (без отв. планки), 4 кл. /128:3930/ | → |
- Обзор
Последнее обновление: 13.12.2025 20:03
| Серия | ЗВ8 |
| Цвет | никель |
| Материал | Сталь |
| Тип упаковки | Пакет |
| Способ установки | Врезной |
| Межосевое расстояние | - |
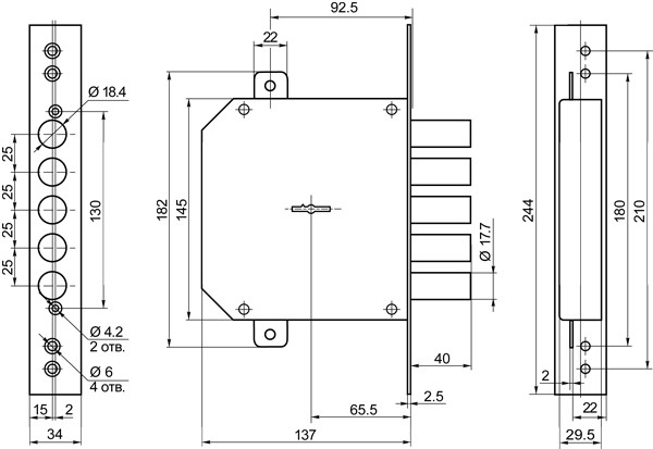
| Вылет ригеля | 40 мм |
| Количество комбинаций | 120,000 |
| Количество ключей | 5 |
| Класс безопасности | 4 |
| Тип механизма секретности | Сувальдный |
| Бэксет (удаление ключевого отверстия) | 65,5 мм |
| Размер ригеля | 17,7 мм |
| Количество ригелей | 5 |
| Наличие лицевой планки | С планкой |
| Наличие выводов для тяг | Да |
| Длина ключа | 102 мм |
| Тип замка | дополнительный (верхний) |
| Отверстия под стяжки | Нет |
| Тип защелки | Правая |
| Задвижка | Нет |
| Защита от копирования ключа | Нет |
| Дополнительная защита | Защита от высверливания, защита от перепиливания засова, защита от вскртытия замка отмычкой |
| Толщина двери | 40-50 мм |
| Вес | 2150 |
| Рекомендуемые товары | 28283, 28273, 26929, 31167, 23637 |
| Производитель | BORDER |
| Габариты упаковки товара высота мм | 52 |
| Габариты упаковки товара ширина мм | 259 |
| Габариты упаковки товара длина мм | 152 |
| Штрих-код индивидуальной упаковки | 4607027729790 |
| ЗВ8-6КП.5Т/15 - Замок врезной сувальдный верхний с тягами. Это надежный замок самого высокого 4 класса по доступной цене, с тягами и встроенной бронепластиной. Подходит для устанавки в гаражные ворота, калитки, а также металлические двери с правым открыванием. | |



