0 ₽
Фурнитура и прочее, Замки врезные, Для металлических дверей Корпус Kale kilit (Кале килит) врезного цилиндрового замка 257 w/b (тех. комплектация)
В избранное
| ← | Корпус Mettem (Меттэм) врезного замка ЗВ1 711.0.0 (никель) | Корпус Kale kilit (Кале килит) врезного цилиндрового замка с защёлкой 252/R w/b (тех. комплектация) | → |
- Обзор
Последнее обновление: 13.12.2025 20:03
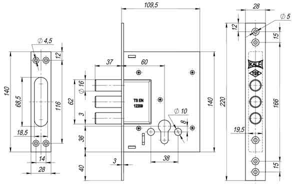
| Серия | 257 |
| Цвет | хром |
| Материал | Сталь |
| Тип упаковки | Коробка |
| Способ установки | Врезной |
| Межосевое расстояние | - |
| Вылет ригеля | 37 мм |
| Количество комбинаций | нет (корпус замка) |
| Количество ключей | - |
| Класс безопасности | 4 |
| Тип механизма секретности | Цилиндровый |
| Бэксет (удаление ключевого отверстия) | 60 мм |
| Размер ригеля | 16 мм |
| Количество ригелей | 3 |
| Наличие лицевой планки | С планкой |
| Наличие выводов для тяг | Нет |
| Длина ключа | - |
| Тип замка | дополнительный (верхний) |
| Отверстия под стяжки | Есть |
| Тип защелки | - |
| Задвижка | Нет |
| Защита от копирования ключа | - |
| Дополнительная защита | - |
| Толщина двери | от 40 мм |
| Вес | 1016.67 |
| Рекомендуемые товары | 1068, 32781, 1160, 14183, 32805 |
| Производитель | KALE KILIT |
| Габариты упаковки товара высота мм | 30 |
| Габариты упаковки товара ширина мм | 227 |
| Габариты упаковки товара длина мм | 115 |
| Штрих-код индивидуальной упаковки | 8699258260087 |
| Kale 257 w/b Замок врезной цилиндровый для металлических дверей, дополнительный, цвет лицевой планки-никель. Корпус замка будет иметь высший уровень защиты при комплектации цилиндром 4 уровня безопасности. Рекомендуется устанавливать на дверь в паре с сувальдным замком. Kale Kilit - компания зарекомендовавшая себя на российском рынке как производитель продукции, оптимальной по соотношению цены и качества | |




