0 ₽
Фурнитура и прочее, Замки врезные, Для металлических дверей Корпус Border (Бордер) врезного замка с защёлкой ЗВ4-3/85К /79059/
В избранное
| ← | Замок Border (Бордер) врезной сувальдный с задвижкой и защёлкой ЗВ9-8 МКЗ/15, 5 кл. /77937/ | Замок Kale kilit (Кале килит) врезной сувальдный с защёлкой 442/L , 4 кл. (кл. 60 мм) | → |
- Обзор
Последнее обновление: 18.01.2026 9:03
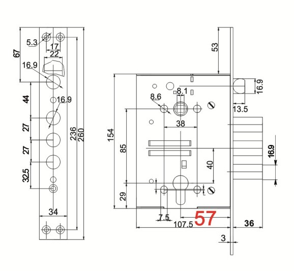
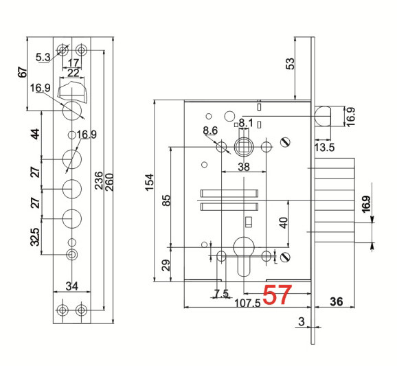
| Серия | ЗВ4 |
| Цвет | Никель |
| Материал | Сталь |
| Тип упаковки | Пакет |
| Способ установки | Врезной |
| Межосевое расстояние | 85 мм |
| Вылет ригеля | 36 мм |
| Количество комбинаций | - |
| Количество ключей | - |
| Класс безопасности | 4 |
| Тип механизма секретности | Цилиндровый |
| Бэксет (удаление ключевого отверстия) | 57 мм |
| Размер ригеля | 16,9 мм |
| Количество ригелей | 3 |
| Наличие лицевой планки | Есть |
| Наличие выводов для тяг | Нет |
| Длина ключа | - |
| Тип замка | Основной (с защелкой под ручку) |
| Отверстия под стяжки | Есть |
| Тип защелки | Реверсивная |
| Задвижка | Нет |
| Защита от копирования ключа | Нет |
| Дополнительная защита | - |
| Толщина двери | 40-50 мм |
| Вес | 1142 |
| Рекомендуемые товары | 20827, 30339, 6728, 28283, 28241 |
| Производитель | BORDER |
| Габариты упаковки товара высота мм | 40 |
| Габариты упаковки товара ширина мм | 259 |
| Габариты упаковки товара длина мм | 133 |
| Штрих-код индивидуальной упаковки | 4640014061183 |



